立即预约 立即预约
免费定制整装家居

免费定制整装家居

一站置家 全程无忧 一省到底
hide.png

当前位置: 首页 > 装修案例效果图 > 防疫站小区

防疫站小区 80平 现代简约风格效果图

收藏
案例风格 现代简约 案例户型 二居 案例面积 80平米
楼盘名称 防疫站小区 设计师 王松 案例类型 改善性住宅

设计理念:本设计方案以现代风格为主,主色系为黑白灰,材质上选择了原木和灰色布艺,为客户打造一个温馨的空间。

客厅
第1张
第2张
第3张
餐厅
第1张
第2张
第3张
卧室
第1张
卫生间
第1张
门厅
第1张
第2张
过廊
第1张
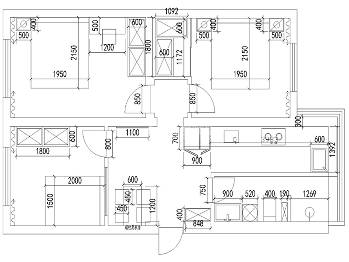
户型图
第1张
  • 案例详情

防疫站小区-80平-现代风格-客厅 (2).jpg 防疫站小区-80平-现代风格-客厅.jpg 防疫站小区-80平-现代风格-客厅 (3).jpg

防疫站小区80平两室两厅现代风格林凤装饰的客厅是用其中一个南卧室改造,所以还要考虑到餐厅的采光,故在墙面上做的一个可以打开的窗户,在平时可以通风,也最大化的达到了采光。

防疫站小区-80平-现代风格-餐厅 (4).jpg 防疫站小区-80平-现代风格-餐厅 (3).jpg 防疫站小区-80平-现代风格-餐厅 (2).jpg

防疫站小区80平两室两厅现代风格林凤装饰的厨房主要以爵士白的瓷砖搭配白色吸塑橱柜,采用爵士白的瓷砖为了空间提升不少的亮度,餐桌选择的原木色,让空间有一些温馨的色彩,在餐桌的墙面上涂饰了黑板漆,平时可以让家里人之间一起创作一些东西,或者以后也可以交孩子一个知识,是一个很好的互动空间。

防疫站小区-80平-现代风格-卧室.jpg

防疫站小区80平两室两厅现代风格林凤装饰的卧室是休息的地方,原木色能让人感到心情舒畅,灰色调的床头背景搭配原木色的床头,使空间整体感更强,达到了业主想要的效果。

防疫站小区-80平-现代风格-卫生间.jpg

防疫站小区80平两室两厅现代风格林凤装饰的卫生间的户型因为是长条形,所以在瓷砖的选择上 采用了有拉伸效果的条形纹理的瓷砖,合理的划分了每个位置的使用空间。

防疫站小区-80平-现代风格-门厅.jpg 防疫站小区-80平-现代风格-门厅1.jpg

防疫站小区80平两室两厅现代风格林凤装饰的玄关

防疫站小区-80平-现代风格-过廊.jpg

防疫站小区80平两室两厅现代风格林凤装饰的过廊

防疫站小区-80平-现代风格-平面图.png

案例设计师

王松

设计师:王松

从业时间:10年

设计理念:品味生活,从家开始

预约设计师

算算你家装修多少钱

报名即享丰厚赠品,享半价装修

免费报价
咨询热线:400-656-9909
20190221103704574636.jpg

精品设计案例

20180612134930523248.jpg 服务号二维码.jpg